TP絲桿升降機操作簡單、可靠性強、低維修率等優點,TP
絲桿升降機配有自動連鎖機構,即他們能支撐自身重量而不必采用閘或其它鎖定系統.TP絲桿升降機可單獨使用也可與軸、聯軸節,傘齒輪傳動器結合共同使用。他們可由交流或直流電機驅動,也可由液壓或氣壓電機驅動,他們可手動驅動也可用其它傳動形式。
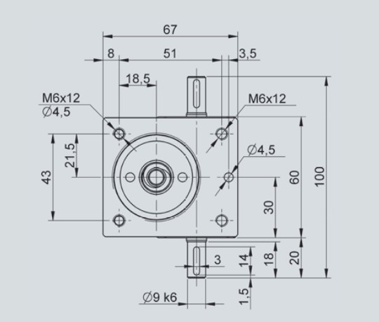
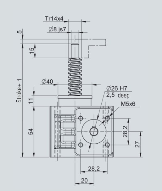
TP絲桿升降機驅動軸旋轉帶動蝸輪并產生螺桿的軸向直線運動,螺桿必須有抗旋轉功能;TPR配備旋轉歸納法桿與支撐螺母,驅動軸旋轉帶動蝸輪旋轉。蝸輪與螺桿連接,因而也帶動螺桿旋轉。支撐螺每間把螺桿的旋轉運動轉變成直線運動,支撐螺母必須具有抗旋轉功能。
